Wingback seat eyelet

4.2 V8 32v Naturally Aspirated - 414 bhp
Post Reply
murph22
1st Gear
Posts: 77
Joined: Tue Apr 15, 2014 7:35 pm

Wingback seat eyelet

Post by murph22 » Mon Jul 20, 2015 12:06 am

Hey Folks,

One of the harness eyelets in my wingback drivers seat has split in half, from what I can see the rear part
of the eyelet is built into the seat.

Has anyone come across this before?

Thanks

murph

BaCoN
1st Gear
Posts: 51
Joined: Sun Oct 05, 2014 1:29 am

Re: Wingback seat eyelet

Post by BaCoN » Mon Jul 20, 2015 4:37 am

I have a similar issue and from looking around its a case of pulling the leather off the seat in order to access the screws to take the rear section off....

I didn't want to attempt this without some detailed pictures (which i couldn't find) so for now I have just used some black silicone to hold both halves back together.....

User avatar
MikeFish
Cruising
Posts: 15588
Joined: Tue Aug 31, 2010 9:23 pm
Location: The Middle of Somewhere

Re: Wingback seat eyelet

Post by MikeFish » Mon Jul 20, 2015 5:51 am

Correct there are 3 screws fixing it to the seat back.
You can just pull the leather out around the top of the seat and then it just tuckz back in again afterwards. Those plastic trim removal tools help especially as you will probably need to split the other trim apart.
Will it not just clip back in? I assume the bit screwed to the seat is cracked?

User avatar
Baz999
Neutral
Posts: 49
Joined: Sun Jun 22, 2014 7:01 pm
Location: Bicester

Re: Wingback seat eyelet

Post by Baz999 » Mon Jul 20, 2015 6:51 am

Not a clear picture
image.jpg

murph22
1st Gear
Posts: 77
Joined: Tue Apr 15, 2014 7:35 pm

Re: Wingback seat eyelet

Post by murph22 » Mon Jul 20, 2015 9:14 am

Thanks for the replies gents. My insert piece looks intact, but the receiving piece appears to be broken and one of the clear
rubber bits is missing. I will enquire with the dealer to see if you can buy a complete replacement eyelet.

User avatar
MikeFish
Cruising
Posts: 15588
Joined: Tue Aug 31, 2010 9:23 pm
Location: The Middle of Somewhere

Re: Wingback seat eyelet

Post by MikeFish » Mon Jul 20, 2015 9:31 am

There are no clear rubber bits. They are held in with clips and a bit of (clear) glue from factory. Once you have removed them the clear glue can be cleaned off and they should happily stay in there just being held by the clips. So only if the black plastic clips break will you need new parts.

User avatar
henryhale2704
1st Gear
Posts: 87
Joined: Thu Sep 24, 2009 8:58 am
Location: Middlesex

Re: Wingback seat eyelet

Post by henryhale2704 » Mon Jul 20, 2015 1:00 pm

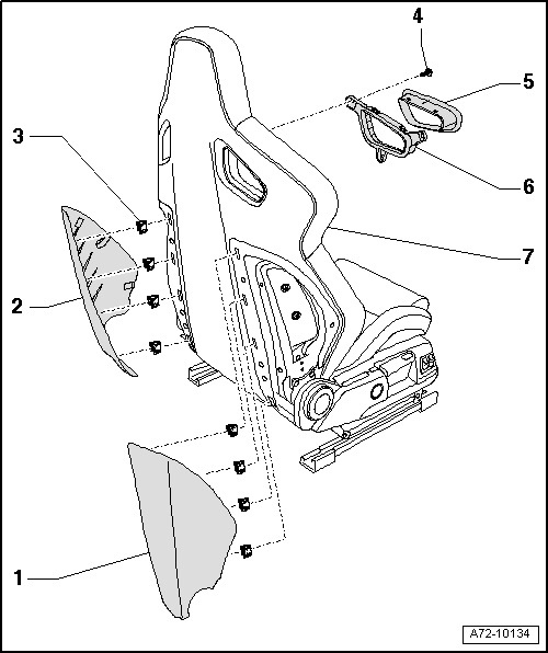
I had the same problem with my passenger seat. You can buy each part individually. From your diagram above the bits I had to replace were...

Part 4 - £6.68 (not really necessary as you can just re-use the existing fixings)
Part 5 - £18.75
Part 6 - £13.32

All prices + VAT. Unfortunately I don't have the actual part numbers to hand.

Hope this helps.
2018 C7 RS6 Performance | Panther Black

BaCoN
1st Gear
Posts: 51
Joined: Sun Oct 05, 2014 1:29 am

Re: Wingback seat eyelet

Post by BaCoN » Mon Jul 20, 2015 1:10 pm

Yeh I have a new replacement at home. Just too afraid of pulling the leather apart and not being able to put it back....is there a trick to it? Assuming that you also have to do that in order to check on the air bolster mechanism?

User avatar
MikeFish
Cruising
Posts: 15588
Joined: Tue Aug 31, 2010 9:23 pm
Location: The Middle of Somewhere

Re: Wingback seat eyelet

Post by MikeFish » Mon Jul 20, 2015 1:33 pm

Yes, the air bolsters are basically air bags lower down the seat. Most likely problem is the valve leaking. There are 2 per seat, one for the bolsters and one for the lumber support. About £160 each.

To remove the leather you just need to prise it out of the lip around the edge of the seat. Once the edge is out and you have removed the outer (front) plastic eyelet (seat belt hoops) you just pull the leather forward. There are little bits of velcro on the back of the leather but they won't offer much resistance. It is really quite surprisingly easy.

User avatar
MikeFish
Cruising
Posts: 15588
Joined: Tue Aug 31, 2010 9:23 pm
Location: The Middle of Somewhere

Re: Wingback seat eyelet

Post by MikeFish » Mon Jul 20, 2015 1:34 pm

The hardest bit is removing the front of the seat belt hoops without breaking them. The rest is a doddle.

murph22
1st Gear
Posts: 77
Joined: Tue Apr 15, 2014 7:35 pm

Re: Wingback seat eyelet

Post by murph22 » Mon Jul 20, 2015 4:01 pm

Seatbelt hoops, that makes way more sense then eyelets!!! Why didn't I think of that!!

Thanks for the info lads, off the dealers to source the bits.

Post Reply

Return to “RS4 (B7 Typ 8E) 2006–2008”

Who is online

Users browsing this forum: No registered users and 182 guests